Pneumatická otřesová zařízeníOklepávací kladivo akumulátorové |
|
| Pneumatické oklepávací kladivo lze použít pro oklepávání potrubí, ve kterém ulpívá sypký materiál, Oproti kuličkovému vibrátoru je vhodné použít kladivo, pokud se materiál při intenzivním setřásání vysokou frekvencí ještě více zhutňuje. V těchto případech se osvědčují jednotlivé otřesy velkou amplitudou s nízkou frekvencí, které vytváří kladivo. Oklepávací kladivo se ovládá stejně jako dvojčinný válec. Funkce pak je dána impulsním efektem kdy se na píst kladiva vytvoří nejprve tlakový spád, vzduch před pístem je vypuštěn a poté je teprve píst vystřelen proti stěně oklepu. Zásluhou tohoto principu kladivo nevyžaduje vysoké nároky na průtok rozvaděče a průtok hadicemi. |
| Objednací kódy | Technické parametry | Rozměry | Doporučené zapojení | Katalogový list v PDF | Technické informace |
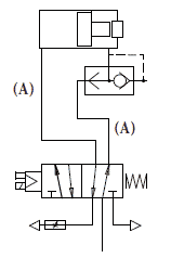
Doporučené zapojení
![]() |
Pro ovládání oklepávacího kladiva je vhodné použít rozvaděč 5/2. Rozvaděč by měl být umístěn co nejblíže oklepávacímu kladivu, ale doporučujeme jej upevnit tak, aby se na něj nepřenášely otřesy způsobené údery kladiva. Na čelo kladiva s přírubou doporučujeme použít rychloodvzdušňovací ventil (namontovaný rovnoběžně s osou kladiva, aby se na rychloodvzdušňovací ventil s tlumičem hluku nepřenášely rázy), aby nedocházelo k utlumení intenzity rázu. Při návratu pístu je vhodné umístit na výstup z rozvaděče tlumič hluku se škrcením, aby bylo možné seřídit rychlost návratu kladiva do výchozí polohy tak, aby při tomto pohybu nevznikaly rázy. | |
![]() |
Pozor: oklepávací kladivo je konstruováno pro vytváření rázů pouze pohybem pístu směrem k čelu s přírubou! V žádném případě nedovolte, aby rázy vznikaly i pohybem pístu do výchozí polohy! Mohlo by tak dojít k trvalému poškození víka kladiva!
(A) Volbu délky a průměru uvedených částí obvodu doporučujeme konzultovat s naším technickým oddělením. |
|
Příklady montáže
| Instalace jednoho kladiva na násypku | Instalace dvou kladiv na násypku (vzdálenosti kladiv od okraje by měly být různé) |
Instalace jednoho kladiva na potrubí |
![]() |
![]() |
![]() |








